|
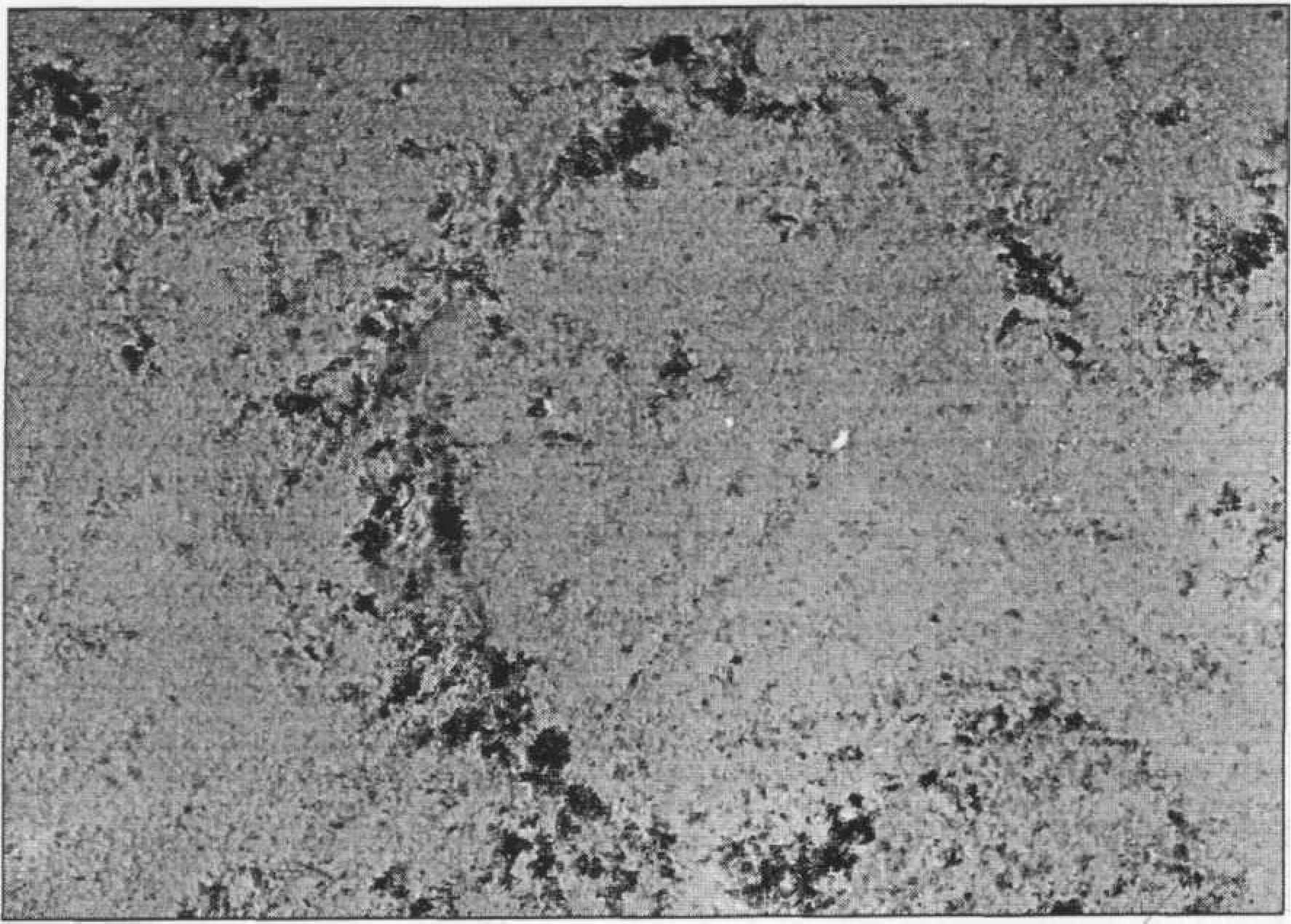
На срезах, выполненных вдоль эмалевых призм, тела и отростки определяются в виде широких и узких полос (рис. 87).
Образец, изготовленный под углом к ходу призм, позволяет видеть ромбовидный рисунок (рис. 88).
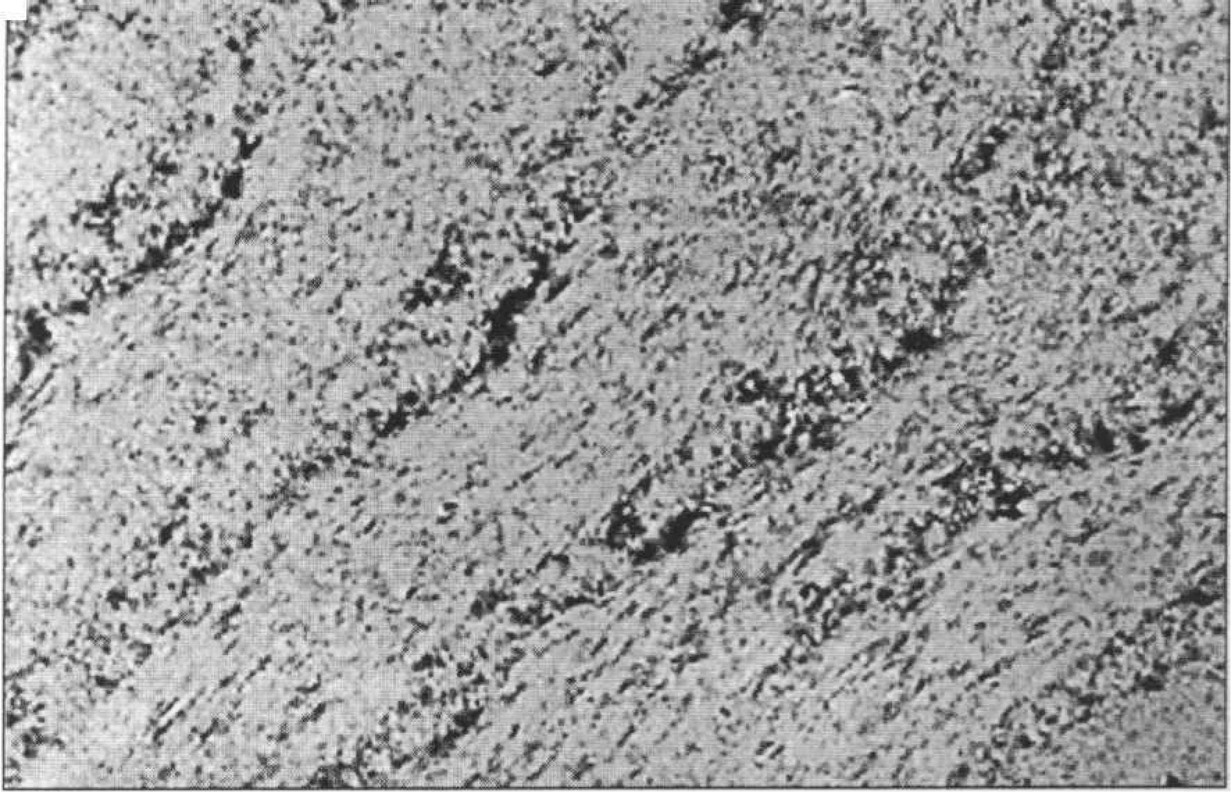
На поперечных ходу призм шлифах видны их головки, причем форма и диаметр могут быть различными. В одних случаях они овальные или округлые, в других — шестигранные. Призмы могут лежать группами или рядами, не имея четко выраженного отростка, располагаться черепицеобразно (рис. 89).
Однако чаще всего представляют типичную аркадообразную (в виде замочной скважины) форму, когда хорошо выраженные отростки заходят между телами соседних призм (рис. 90).
Эмалевые призмы состоят из апатитоподобных кристаллов, которые относят к гексагональной системе. Один кристалл образован субъединицами (около 1 000). Единичные клетки имеют 3 оси: а=Ь=9,4 нм, они располагаются под углом 120°. Перпендикулярно оси а идет ось с размерами 6,9 нм. Химический анализ показывает, что кристалл зубной эмали — частично замещенный гидроксилапатит, свойства которого в значительной степени зависят от ОН-группы. Молодые кристаллы апатитов эмали имеют форму ленты, толщиной 15 нм. Зрелые представлены гексагонально-призматическими образованиями. Причем, в эмали объем кристаллов в 200 раз больше, чем в дентине. Кроме призматической формы описаны кристаллы в виде иглы, ланцета, балки, штанги, листа. . В телах эмалевых призм кристаллы расположены почти параллельно длинной оси. Угол наклона может колебаться от 5° до 40°, он увеличивается по направлению к периферии призмы. Значительные увеличения (ТЭМ) позволяют наблюдать природу призменных границ, которые определяются совершенно отчетливо, благодаря различному направлению кристаллов на граничащих участках призм и пониженной плотности упаковки кристаллов по сравнению с сердцевиной (рис. 91).
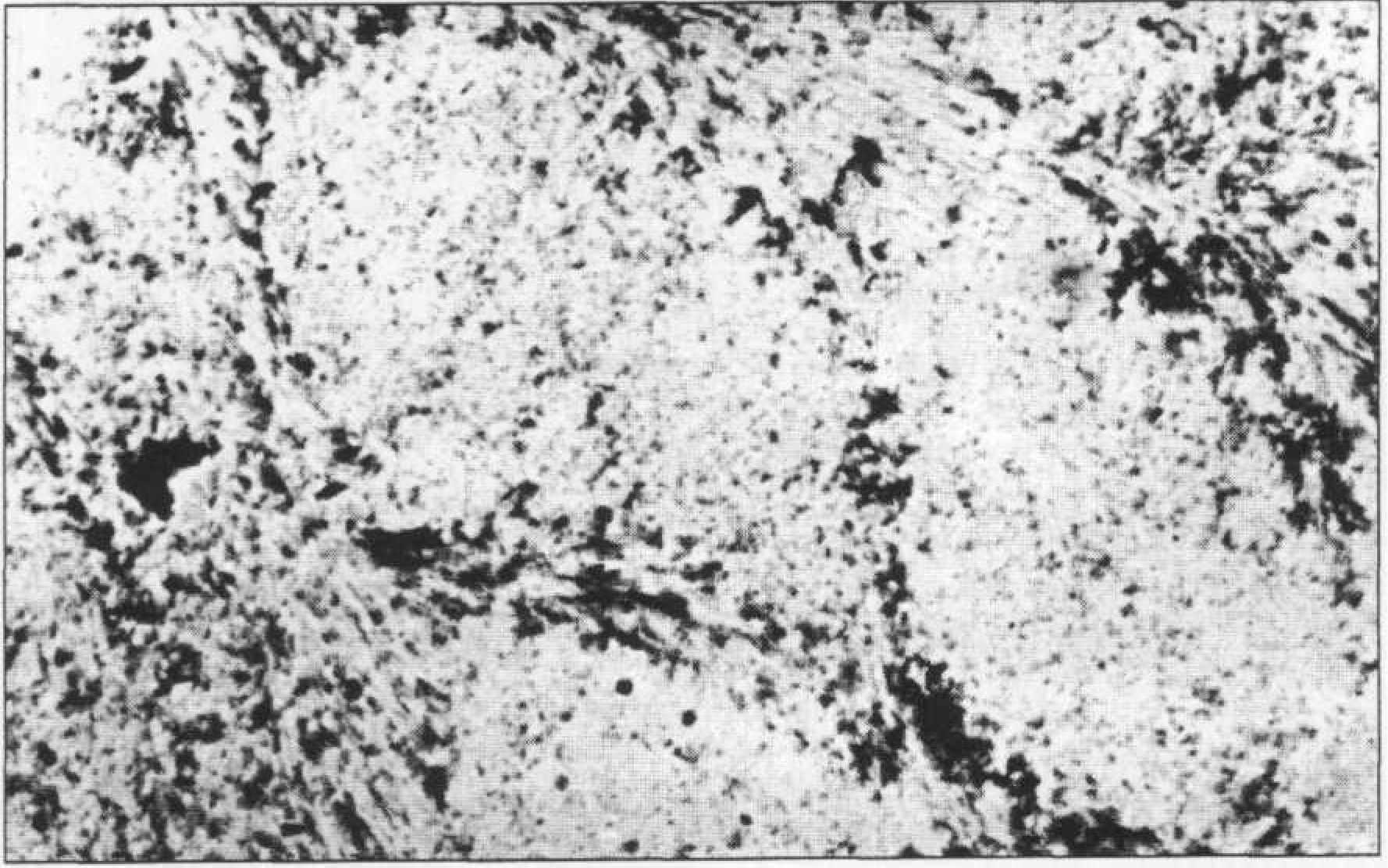
Сливаясь, межкристаллические поры образуют межпризменные пространства, обеспечивая высокую контрастность призменного рисунка (рис. 92).
В поляризованном свете выявляются темные и светлые полосы шириной в десятки мкм, идущие перпендикулярно поверхности эмали — паразоны и диазоны (полосы Гунтера-Шрегера). Исследование шлифа эмали при больших увеличениях (СЭМ) позволяет изучить морфологическую основу этих структур. Их появление связано с изгибом пучков эмалевых призм S-образной формы: продольное расположение призм чередуется с поперечным (рис. 93 и 103).
Как в поверхностных, так и глубоких слоях наблюдаются линии Ретциуса, которые представляют участки низкой минерализации толщиной 200-400 нм, идущие поперечно ходу эмалевых призм. В пришеечной области расстояние между ними 20-30 мкм. Они могут располагаться на неравномерном расстоянии друг от друга. Минерализованность их может различаться (рис. 94).
Некоторые из них дают двойное лучепреломление, указывая на более высокую минерализованность, другие — псевдоизотропны (низко минерализованы). Особый вид — неонатальная линия на молочных зубах и первых постоянных молярах — указывает на переход от интра- к экстранатальному периоду. Плотность кристаллов в этой зоне снижена. Линии Ретциуса отчетливо определяются, отличаясь по своим оптическим свойствам. Множественные поры снижают отражательную способность данных участков эмали. Независимо от возрастной принадлежности картину, характерную для эмали детских зубов, имеют полуретинированные зубы. На шлифах отчетливо видны линии Ретциуса. Их образуют микропоры, сливающиеся в одну цепь и открывающиеся на поверхности зуба. В результате поверхность имеет фестончатый вид (рис. 95). Призмы, пересекаемые линиями Ретциуса, фрагментированы, их очертания нечеткие. В ряде случаев группы призм поверхностного слоя эмали подвержены деструкции. Полосы Гунтера-Шрегера, заметные в отраженном свете, оказываются не всегда упорядоченными, что можно объяснить незавершенной минерализацией. Органическое вещество в эмали встречается в виде скоплений (около 2% эмали по весу). Эмалевые пластинки проходят через всю толщину эмали, их больше в области шейки. Они сохраняются и после декальцинации эмали. Эмалевые пучки (ламелы) располагаются у эмалево-дентинного соединения. Эмалевые веретена встречаются в центральных отделах. Описанную некоторыми авторами органическую оболочку призм обнаружить в зрелой эмали не удается.
В ряде случаев на границе определяются отдельные фибриллярные структуры. Эмалево-дентинное соединение образовано мембраной, которая на ранних стадиях представлена некальцифицированными коллагенными волокнами, отделяющими эмаль от дентина (рис. 96).
В дальнейшем она минерализуется и является местом соединения кристаллов эмали и дентина (см. рис. 96). Группы призм эмали, как и волокнистые структуры, из одной ткани глубоко вдаются в другую, придавая эмалево-дентинному соединению чашеобразный вид. |
СТРУКТУРА ВНУТРЕННИХ ЗОН ЭМАЛИ
СТРУКТУРА ВНУТРЕННИХ ЗОН ЭМАЛИ На шлифах эмали хорошо определяется пространственное расположение эмалевых призм, которые начинаются у эмалево-дентинного соединения и, S-образно изгибаясь, заканчиваются у поверхности зуба (рис. 86).
|










