Особо следует подчеркнуть неравномерное распределение кровеносных сосудов в надкостнице. Их меньше в надкостнице альвеолярного отростка и в области небного шва, но в большем числе они встречаются в адвентициальном слое надкостницы твердого неба.
С возрастом (в частности, после 60 лет) надкостница уплотняется за счет увеличения количества коллагеновых волокон, в последних наблюдаются, явления гиалиноза. Количество остеобластов уменьшается, что было отмечено также и Ю. Б. Гинзбургом (1951).
Стенки артериальных сосудов, залегающих как в слизистой оболочке, так и в надкостнице, с возрастом также утолщаются; иногда происходит разволокнение внутренних эластических мембран. При этом наблюдается уменьшение количества кровеносных сосудов, особенно в надкостнице. Как известно, нервы в надкостницу проникают из слизистой оболочки и со стороны кости. Последнее чаще выявляется в переднем участке альвеолярного отростка. Однако следует отметить, что Не все нервы, входящие в надкостницу из слизистой оболочки, в ней заканчиваются. Мы наблюдали проникновение нервных волокон и даже их пучков в косты Там они располагаются вместе с сосудами в прослойках соединительной ткани костно-мозговых пространств. Эти данные об общности источников иннервации верхнечелюстной кости, надкостницы, сосудов и костного мозга подтверждают выводы исследований Т. К. Зайсановой (1964). Кроме того, надкостница различных участков твердого неба и альвеолярных отростков иннервируется неравномерно. Наибольшее количество нервных ветвей вступает в надкостницу, покрывающую вестибулярную поверхность альвеолярного отростка.
Известный интерес представляет рецепторный аппарат надкостницы. По нашим данным, нервные волокна, проникающие в надкостницу как из слизистой оболочки, так и со стороны кости, располагаются в ней на различной глубине и образуют концевые аппараты в виде «клубочков», «кустиков» и «пуговчатых» утолщений. Наиболее распространенными рецепторами являются свободные нервные окончания, различные по калибру и длине. Последние образованы тонкими мякотными нервными волокнами, которые чаще встречаются в адвентициальном слое надкостницы.
Встречаются также сосудистотканевые рецепторы, которые образованы мякотными нервными волокнами среднего калибра. Отличительной чертой строения этого типа рецепторов для адвентициального слоя надкостницы является резкая извилистость их терминальных веточек. В фиброэластическом слое надкостницы также наблюдаются сосудистотканевые рецепторы, которые чаще представлены отдельными нервными волокнами, Они идут на большом расстоянии и по своему ходу истончаются. В этом же слое И. М. Дегтярев (1968) нашел инкапсулированные нервные окончания у лиц с интактными зубными рядами. Однако мы таких окончаний не обнаружили. По-видимому, с полной потерей зубов и возрастом они исчезают.
Обычно нервные элементы слизистой оболочки и надкостницы у лиц до 59 лет, не пользовавшихся съемными протезами, подвергаются в основном реактивному изменению и в меньшей степени — деструкции. В возрасте старше 60 лет наблюдаются более выраженные явления раздражения и Деструкции нервных воЛоКон. Вместе С тем уменьшается их количество, что согласуется с данными К. Balogh, A. Csiba (1967).
Дальнейший анализ результатов исследований показал, что кость твердого неба и альвеолярного отростка с возрастом также претерпевает определенные изменения. Так, у лиц 59 лет, не пользовавшихся съемными протезами, она представляется относительно мало измененной — лишь местами на края компактной кости наслаивается остеоидная ткань. Эти наслоения в основном выражены с небной поверхности альвеолярного отростка и в пластинчатой кости твердого неба. Однако на вершине и вестибулярной поверхности альвеолярного отростка процессы аппозиции костного вещества не наблюдаются, лишь местами имеются мелкие лакуны рассасывания. Последние не содержат остеокластов. Обращает на себя внимание незначительное сужение гаверсовых каналов за счет пристеночного наслоения пластинок. Костные балки местами истончаются, но встречаются и утолщенные балки за счет оппозиционного наслоения кости. На подобное наслоение новообразованной кости у лиц с полной потерей зубов, возраст которых не старше 60 лет, указывает А. И. Дойников (1967), исследовавший изменения макро- и микроскопического строения челюстных костей в связи с возрастом и потерей зубов.
Совершенно естественно, что с возрастом кость твердого неба и альвеолярного отростка подвергается значительному изменению. Прежде всего обращает на себя внимание атрофия кости, которая чаще всего происходит путем гладкой резорбции. Костные балки значительно истончаются, нарушается архитектоника, наблюдаются признаки пониженного содержания солей кальция, что, по-видимому, отражается на физической прочности кости. Стенки сосудов, проходящих в костном мозге, утолщаются.
Общие часто повторяющиеся находки при атрофии выражаются главным образом в пониженной аппозиции костной ткани, а также в резорбции ее по ходу линий склеивания. Понижение аппозиционного роста сопровождается исчезновением остеобластов и истончением костных балок. Наши наблюдения о понижении процессов аппозиции кости в этом возрастном периоде совпадают с данными И. М. Молоткова (1939), исследовав-

Рис. 38. Слизистые железы задней трети твердого неба женщины 53 лет, пользовавшейся протезом 6 лет. Круглоклеточная инфильтрация стромы. Окраска пикрофуксином. Х80 (Дуйшалнев К. Д.).
рации у разных лиц при одинаковых сроках пользования протезами различна. Последнее зависит, по-видимому, от качества протезов, режима пользования ими, характера артикуляционных взаимоотношений и многих других факторов. Выявить какую-либо закономерность в локализации воспалительных инфильтратов в железах нам не удалось. Поэтому мы не согласны с мнением R. Eisenring о том, что глубже лежащие железы подвергаются более резким изменениям. Мы полагаем, что причиной воспаления слизистой оболочки протезного ложа являются постоянно действующие механические факторы. По-видимому, определенную роль в воспалении желез твердого неба играет и застой секрета. Подобное мнение высказывали Е. Frohlich и W. Masshoff. Однако мы не согласны с О. Brinch и R. Eisenring, которые считают, что воспаление преимущественно распространяется на железы с собственной пластинки слизистой, а не возникает в них первично. По нашим данным, переход воспалительной инфильтрации на же-

Рис. 39. Слизистая оболочка твердого неба мужчины 76 лет. Липоматоз стромы желез. Окраска пикрофуксином. Х75 (Иванова H. С.).
лезы с субэпителиальной соединительной ткани возможен только при выраженном воспалении ее в средней и задней трети твердого неба, что отмечается редко. Данные, полученные нами, также не согласуются с данными S. Ostlund, который полагает, что устья выводных протоков всегда находятся в состоянии хронического воспаления. Мы наблюдали инфильтрацию их лишь при выраженном воспалении собственной пластинки слизистой оболочки. В большинстве исследованных слизистых оболочек при инфильтрации стромы самих желез выводные протоки, расположенные в собственной пластинке, оставались неизмененными.
Обширные инфильтрированные участки желез замещались жировой и соединительной тканью (рис. 39), что подтверждает данные Р. Ш. Шаймерденовой (1969), Н. Zander (1960). По сравнению с контрольной группой имело место некоторое увеличение клеток жировой ткани в подслизистой основе и разрастание соединительной ткани в междольковых прослойках. Увеличение жировой и соединительной ткани, по-видимому, не только

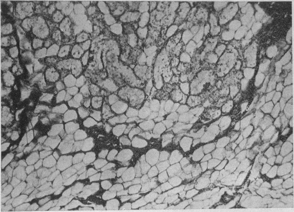
Рис. 44. Истончение надкостницы кости твердого неба.
Мужчина 65 лет, срок пользования протезом G лет. Окраска гематоксилинэозином. Х56 (Дуйшалиев К. Д.).
шего различные кости организма, в том числе и альвеолярные отростки челюстных костей.
Изучение состояния надкостницы твердого неба и альвеолярных отростков беззубой верхней челюсти у лиц, пользовавшихся съемными протезами, показало следующее. При пользовании протезами до 3 лет надкостница альвеолярного отростка во всех возрастных группах утолщается вследствие очаговой пролиферации остеобластов. Последние резко увеличиваются в размере, иногда ориентируются параллельно поверхности кости, ядра их гиперхромны. В адвентициальном слое надкостницы коллагеновые волокна местами бледно окрашиваются, нередко разволокпяются. Аргирофильные волокна утолщаются. Эластические волокна нередко подвергаются фрагментации.
При увеличении сроков пользования протезами (более 3 лет) надкостница альвеолярного отростка и твердого неба заметно истончается (рис. 44), представляя собой плотную фиброзную ткань. Количество остеобластов

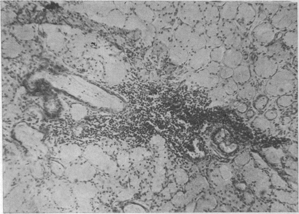
Рис. 45. Надкостница альвеолярного отростка беззубой верхней челюсти мужчины 54 лет, пользовавшегося протезами 6 лет. Деструктивные изменения нервных волокон. Четкообразные утолщения осевых цилиндров, натеки нейроплазмы. Импрегнация серебром по методу Бильшовского—Грос. Х400 (Дуйшалиев К. Д.).
уменьшается. При большем сроке пользования протезами (более 8 лет) количество остеобластов в камбиальном слое уменьшается.
Необходимо подчеркнуть, что артериальные сосуды, залегающие в слизистой оболочке и надкостнице, часто имеют утолщенные гиалинизированные стенки. Подобные сведения о состоянии слизистой оболочки под пластиночными протезами сообщают F. Sin, W. Ger, Н. Мегап (1961), Т. Maj, Т. Zebro (1963), М. Dechaume с соавт. (1966).
Нервные элементы (мякотные и безмякотные волокна, а также концевые аппараты) подвергаются реактивным и деструктивным изменениям. Эти изменения чаще встречались и были более выражены в слизистой оболочке и надкостнице у пользовавшихся съемными протезами (рис. 45). Особый интерес представляет изучение реакции кости твердого неба и альвеолярного отростка беззубой верхней челюсти у лиц этой группы. Так, у людей в возрасте от 40 до 59 лет при пользовании съемными протезами до 3 лет прежде всего обращает на себя внимание отсутствие зоны остеоидной ткани в отличие от состояния кости твердого неба и альвеолярного отростка у не пользовавшихся съемными протезми. Края компактной кости выглядят слегка базофильными. В костных балках отмечаются признаки пониженного содержания солей кальция. Края их ровные. Но в отдельных случаях этой группы обращает также внимание отчетливая пролиферация остеокластов на границе кортикального слоя и периоста. Эти данные противоречат наблюдениям Б. Н. Бынина (1949) и Е. Pendleton (1940) о том, что съемные протезы способны стимулировать регенераторные способности кости.
С возрастом (старше 60 лет) наблюдается более выраженное лакунарное рассасывание кости. При этом остеокласты обнаруживались не только с периостальной поверхности кости, но и в костных балках губчатой структуры. Удалось подметить, что остеокласты появлялись именно в тех балках, в которых были выражены признаки дистрофии кости. Эти находки соответствуют наблюдениям В. Г. Молоткова (1939), считающего, что остеокласты возникают вторично как реакция на разрушение кости. Следовательно, присутствие остеокластов в кости твердого неба и альвеолярного отростка— лишнее доказательство того, что под съемными пластиночными протезами развиваются дистрофические изменения в кости.
С увеличением сроков пользования протезами (более 4 лет) в кости твердого неба и альвеолярного отростка отмечаются более глубокие гистоструктурные изменения (рис. 46, а, б). Они в равной степени наблюдаются во всех возрастных группах. Наиболее выраженные изменения наблюдаются в кортикальном слое кости альвеолярного отростка, в котором происходит образование лакун различной формы и размера, выполненных рыхлой соединительной тканыо с большим количеством остеобластов и тонкостенных капилляров. Нередко на месте исчезнувшей кости остается плотноволокнистая ткань, сохраняющая частично конфигурацию бывшей кости. Такое состояние кости, по мнению Е. Frolich (1952), является выражением приспособительной реакции.

Рис. 46. Кость альвеолярного отростка. Мужчина 77 лет, срок пользования протезом 3 года, а — лакунарное рассасывание кости альвеолярного отростка со скоплением остеокластов. Окраска гематоксилин-эозином. Х400; б — резорбция костной балки остеокластами (1). Слева в углу полости (2) располагается остоидная зона, по краям которой расположены остеобласты. На месте исчезнувшей кости — соединительная ткань. Женщина 67 лет, срок пользования протезом 3 года. Окраска гематоксилин-эозином. Х80 (Дуйшалиев К. Д.)-
При длительном сроке пользования протезами (более 8 лет) процессы резорбции кости замедляются. При этом на месте бывших лакун рассасывания появляются незначительные остеоидные зоны. Такие картины также подмечены F. Singer, Н. Мегап (1961) и заставляют думать о том, что появление остеоидных зон в более поздние сроки пользования протезами отражает физиологическую перестройку кости в результате наступившего равновесия.
Таким образом, морфологические исследования показали, что ткани протезного ложа беззубой верхней челюсти отвечают определенной реакцией на те необычные условия, в которых они оказываются под базисом пластиночного протеза. При пользовании протезами до 3 лет надкостница альвеолярного отростка утолщается. Но с увеличением сроков пользования протезами она, наоборот, истончается, превращаясь в плотный слой фиброзной ткани. Остеобласты камбиального слоя исчезают. В кости твердого неба и альвеолярного отростка после 3-летнего пользования протезами отмечается выраженная резорбция за счет остеокластов, дистрофические изменения и понижение регенераторной потенции кости. Костные балки значительно истончаются, обычная архитектоника нарушается. Костномозговые полости заметно расширяются. Костный мозг замещается жировой и фиброзной тканью. Определенные морфологические изменения претерпевают также сосуды и нервы слизистой оболочки, надкостницы и костного мозга.